圖(01)是 Unitrode 公司(已被德州儀器公司并購)生產的 UC1525A(與 UC2535A、UC3525A 相同,三個型號僅工作溫度范圍不同)開關電源控制芯片用變壓器驅動半橋的電路。圖中 Q1 和 Q2 為功率開關 MOS 管,T1 為驅動變壓器,T2 為功率輸出的主變壓器。


圖(01)
圖(01)中我們見到驅動變壓器 T1 具有兩個次級,反相驅動兩個功率開關 MOS 管 Q1 和 Q2。
與上次貼出的 SG3525 經變壓器驅動半橋電路不同之處,主要是變壓器初級兩端各有一支二極管接地。
無論是并聯推挽(即兩個功率開關管通過初級具有中心抽頭的輸出變壓器耦合),半橋(可稱為串聯推挽),還是全橋,兩個功率開關管(對全橋來說是對角線上兩個開關管為一組,兩組開關管)中電流應該是互補對稱,相位相差 180°且帶有“死區”(兩個功率管均不導通)的波形。如圖(02)和圖(03)所示。之所以必須相位相差 180°且帶有“死區”,乃是為了避免“共同導通”(后面將有敘述)。


圖(02)
圖(02)是占空比較大時兩個功率開關管中的電流波形。


圖(03)
圖(03)是占空比較小時兩個功率開關管中的電流波形。
既然功率開關管中電流是這樣的波形,那么驅動功率開關管門極的電壓波形也應該是如圖(04)和圖(05)那樣的波形。


圖(04)
圖(04)是占空比較大時兩個功率開關管門極電壓波形。


圖(05)
圖(05)是占空比較小時兩個功率開關管門極電壓波形。
圖(04)和圖(05)同時也是 UC1525A 的 11 腳和 14 腳(兩路輸出端)的電壓波形。事實上,UC1525A 兩個輸出端輸出的正是互補對稱,相位相差 180°且帶有死區(兩個功率管均不導通)的波形。
驅動變壓器初級兩端電壓是 UC1525A 兩個輸出端電壓之差(不是和!),所以驅動變壓器初級兩端電壓波形如圖(06)和圖(07)所示。


圖(06)
圖(06)顯示的是占空比較大時驅動變壓器初級兩端的電壓波形。
注意紅色箭頭所指處初級兩端電壓為零,這就是所謂“死區”。設置“死區”目的是要半橋上下兩管均不導通。如果半橋上下兩管同時導通,那么電源將通過兩管短路,兩管均會流過很大的電流。這種現像叫“共同導通”,其后果可能是災難性的,功率管很可能會燒毀。


圖(07)
圖(07)顯示的是占空比較小時驅動變壓器初級兩端的電壓波形。
“死區”決不可省,因為 MOS 管關斷延遲時間總是比開通延遲時間要長一點(參考各種型號 MOS 管 datasheet),雙極型三極管就更不用說了,關斷比開通慢得多。也就是說,驅動變壓器初級即使施加的是矩形方波(沒有死區),半橋的上下兩管也必定會有短暫的“共同導通”,這段時間就是管子關斷延遲時間與開通延遲時間的差,一支管子尚未關斷而另一支管子已經導通。
正是考慮到避免“共同導通”,所以任何雙端輸出的開關電源控制芯片都設置了“死區”,某些型號的芯片,甚至可以用外部元件調整“死區”時間,例如 TL494 的“死區”時間就可以從外部調節。


圖(08)
現在我們看看在 PWM 的一個周期內都發生了些什么事情。
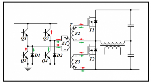
圖(08)是中等占空比時驅動變壓器初級兩端電壓波形,圖(09)是分立元件 Q1~Q4 構成全橋,全橋的輸出供變壓器 T 驅動大功率半橋的電路。
首先,這樣的波形對變壓器來說可以實現,因為橫軸上面和橫軸下面面積相等,即一個周期內伏秒積為零,變壓器鐵芯不會因伏秒積不為零而出現磁飽和。
圖(08)中時刻 0 到時刻 t1,Q2 和 Q3 導通,Q1 和 Q4 關斷,變壓器 T 初級繞組 Z1 兩端電壓極性如圖中正負符號所示。由變壓器各繞組同名端可知,次級繞組 Z2 和 Z3 兩端電壓極性如圖(08)所示,MOS 管 T1 門極對源極為正,T1 應該導通。而 T2 門極對源極為負,這沒有關系。目前使用的大功率 MOS 管都是增強型,對 N 溝道 MOS 管,門極對源極電壓為零固然 MOS 管關斷,門極對源極為負仍然是關斷。
時刻 0 到時刻 t1,電流方向如圖(08)中紅色箭頭所示。千萬注意:MOS 管門極源極之間不是電阻,而表現為一個電容,所以在矩形波的前沿瞬間電流很大,隨即降低到相當小,在時刻 0 到時刻 t1 這段時間內電流變化很大,并非總是一樣大的。所以紅色箭頭只表示電流方向,并不表示電流大小。


圖(09)
時刻 t1,兩支 MOS 管應該關斷,驅動信號應該為零。此時刻應該讓 Q3 關斷而 Q2Q4 導通,以便驅動變壓器三個繞組兩端電壓均為零。
但是前面已經說過,MOS 管門極與源極之間是個電容,這個電容已經在 0~t1 這段時間里面被充電?,F在要讓門極與源極之間電壓為零,這個電容必須放電,無論 T1 還是 T2 門極電容都必須放電。放電過程中,門極源極之間電容從能量角度來說是電源,變壓器繞組 Z2 和 Z3 成為初級,而 Z1 是次級。兩 MOS 管門極電容放電電流方向如綠色箭頭所示。
Q4 已經導通,電流從 Q4 集電極流向發射極,這沒有問題。問題是電流不可能從 Q2 發射極流向集電極,因為 Q2 基極對發射極為正(這樣 Q2 才會導通),電流將流入 Q2 基極,而基極電路通常阻抗較高。于是,變壓器繞組 Z1 兩端不能形成短路,T1 和 T2 門極電容也就不能放電,T1 無法關斷。
所以,Q2 和 Q4 必須反并聯二極管,圖中可見:綠色箭頭方向的電流可以經二極管 D1 形成回路,也就是說,時刻 t1 到時刻 t2 這段時間里面繞組 Z1 被 Q4 和 D1 近似短路。由變壓器特性可知,Z2 和 Z3 繞組也相當于短路,T1 和 T2 門極放電,門極對源極電壓接近于零,T1 和 T2 均關斷。這樣才符合我們的要求。
顯然,Q4 反并聯的二極管 D2 是供時刻 t3 到時刻 t4 這段時間里面短路 Z1 之用。也就是 MOS 管 T2 從導通到關斷。兩個 MOS 管門極電容放電之用。
D1 和 D2 最好是使用肖特基二極管,壓降較小,使得變壓器 Z1 繞組在兩個 MOS 管需要關斷時更接近于理想的短路。
顯然,只有具備了與三極管反并聯的二極管 D1 和 D2,我們才能夠使用變壓器驅動半橋或者全橋,而且變壓器在每個周期中均能夠實現磁復位(伏秒積為零)鐵芯不會進入磁飽和。改變占空比時仍然能夠保證變壓器不會磁飽和,且半橋兩個功率管均正常開關。這就是圖(01)中二極管 D1 和 D2 的由來。
二極管 D1 和 D2 也可以與 Q1 和 Q3 并聯,不過那樣的話,Q1~Q4 的驅動順序必須改變:要變壓器繞組 Z1 兩端短路,必須讓 Q1 和 Q3 導通,而 Q2 和 Q4 關斷。D1D2 并聯于 Q1Q3 時的驅動波形和 D1D2 并聯于 Q2Q4 時的驅動波形不一樣。
烜芯微專業制造二極管,三極管,MOS管,橋堆等20年,工廠直銷省20%,4000家電路電器生產企業選用,專業的工程師幫您穩定好每一批產品,如果您有遇到什么需要幫助解決的,可以點擊右邊的工程師,或者點擊銷售經理給您精準的報價以及產品介紹
烜芯微專業制造二極管,三極管,MOS管,橋堆等20年,工廠直銷省20%,4000家電路電器生產企業選用,專業的工程師幫您穩定好每一批產品,如果您有遇到什么需要幫助解決的,可以點擊右邊的工程師,或者點擊銷售經理給您精準的報價以及產品介紹

