LL4148開關二極管參數,LL4148正負極,LL4148封裝
LL4148開關二極管,LL4148封裝為LL34,LL4148二極管參數,LL4148二極管的作用介紹
LL4148開關二極管,LL4148封裝為LL34,LL4148二極管參數,LL4148二極管的作用介紹
Non-Repetitive Peak Reverse Voltage VRM 非重復峰值反向電壓:100V
Peak Repetitive Reverse Voltage VRRM 峰值重復反向電壓:75V
Working Peak Reverse Voltage VRWM 工作峰值反向電壓:75V
DC Blocking Voltage VR 直流阻斷電壓:75V
RMS Reverse Voltage VR(RMS) 均方根反向電壓:75V
Average Rectified Forward Current IF 平均整流正向電流:200mA
Power Dissipation PD 功耗:500mW
RMS Reverse Voltage VR(RMS) 均方根反向電壓:75V
Average Rectified Forward Current IF 平均整流正向電流:200mA
Power Dissipation PD 功耗:500mW
Forward Voltage VF at IF = 10 mA時,正向電壓:1V
Operating junction and storage temperature range TJ,TSTG 工作溫度和存儲溫度范圍:-65to +175℃
LL4148開關二極管LL-34封裝尺寸:

LL4148開關二極管SOT-23封裝尺寸:

LL4148開關二極管LL-34封裝尺寸:

LL4148開關二極管SOT-23封裝尺寸:

LL4148開關二極管SOD-123封裝尺寸:


LL4148二極管SOD-323封裝尺寸:

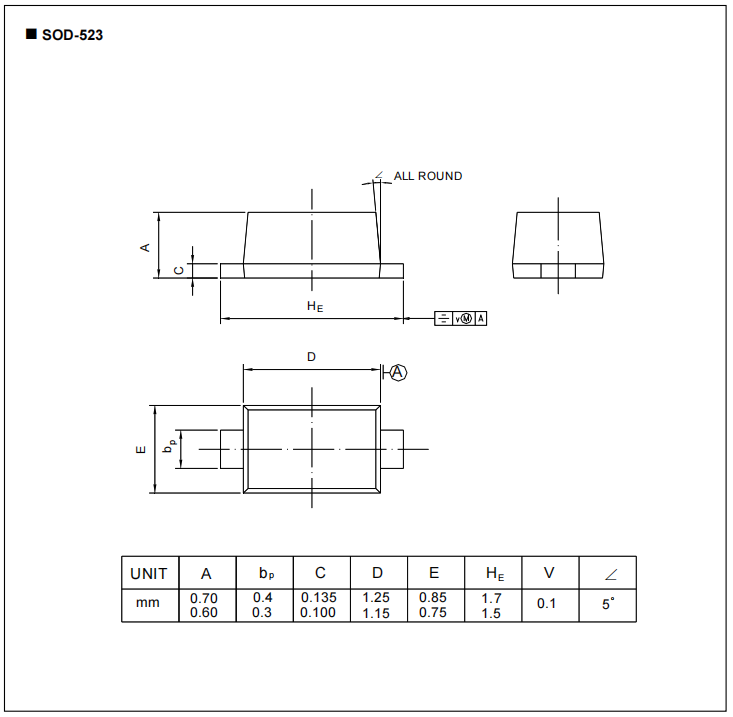
LL4148二極管SOD-523封裝尺寸:

〈烜芯微/XXW〉專業制造二極管,三極管,MOS管,橋堆等,20年,工廠直銷省20%,上萬家電路電器生產企業選用,專業的工程師幫您穩定好每一批產品,如果您有遇到什么需要幫助解決的,可以直接聯系下方的聯系號碼或加QQ/微信,由我們的銷售經理給您精準的報價以及產品介紹

LL4148二極管SOD-523封裝尺寸:

〈烜芯微/XXW〉專業制造二極管,三極管,MOS管,橋堆等,20年,工廠直銷省20%,上萬家電路電器生產企業選用,專業的工程師幫您穩定好每一批產品,如果您有遇到什么需要幫助解決的,可以直接聯系下方的聯系號碼或加QQ/微信,由我們的銷售經理給您精準的報價以及產品介紹
聯系號碼:18923864027(同微信)
QQ:709211280




