全橋電路設計分析
1.MOS/IGBT的柵極引腳部分的電路:
簡單來說就是驅動全橋電路就早驅動信號驅動MOS/IGBT的柵極,但是驅動信號直接送到機極上是不可以的,因為MOS/IGBT柵極結構原因,存在電容,如果驅動信號不輔助柵極部分的硬件電路會使MOS/IGBT一直導通,造成全橋電路中的四個管全部導通,結果可想而知。
解決方案比如下圖所示:


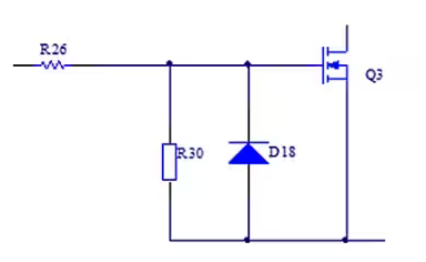
2.MOS/IGBT的保護電路:
MOS/IGBT管具有較脆弱的承受短時過載能力,所以在應用時必須為其設計合理的保護電路來提高器件的可靠性。常見的保護電路有很多種,比如RC保護電路或者RCD保護電路。
本次設計采用的是RCD 緩沖吸收電路和MOS管構成全橋逆變電路,將直流高壓電轉換為交流激勵信號。


3.全橋電路的器件選型問題:
全橋電路中每一個器件的選型都尤為重要,可能哪一個器件的承受值不滿足可能會造成整個全橋電路癱瘓。比如MOS管的選型,在計算最大工作頻率時要關注MOS管的上升和下降時間,以及保護電路的器件特性等。
本次設計的全橋逆變電路(IRFP460MOS管、水泥電阻、聚酯膜電容以及快恢復二極管等),其中最高工作頻率以及耐壓耐流主要看所選擇的器件(IGBT工作頻率會低一些,但是耐壓耐流值高)。
下圖是全橋逆變電路的輸出波形:


下圖是本次設計中采樣電阻采到的波形(可以看出峰峰值電流達到100A)。


無刷直流電機三相六臂全橋驅動電路
無刷直流電機驅動控制電路如圖所示。該電路采用三相六臂全橋驅動方式,采用此方式可以減少電流波動和轉矩脈動,使得電機輸出較大的轉矩。
在電機驅動部分使用6個功率場效應管控制輸出電壓,四軸飛行器中的直流無刷電機驅動電路電源電壓為12V.驅動電路中,Q1~Q3采用IR公司的IRFR5305(P溝道),Q4~Q6為IRFR1205(N溝道)。
該場效應管內藏續流二極管,為場效應管關斷時提供電流通路,以避免管子的反向擊穿,其典型特性參數見表1.T1~T3采用PDTC143ET 為場效應管提供驅動信號。


由圖可知,A1~A3 提供三相全橋上橋臂柵極驅動信號,并與ATMEGA16單片機的硬件PWM驅動信號相接,通過改變PWM信號的占空比來實現電機轉速控制;B1~B3提供下橋臂柵極驅動信號,由單片機的I/O口直接提供,具有導通與截止兩種狀態。
無刷直流電機驅動控制采用三相六狀態控制策略,功率管具有六種觸發狀態,每次只有兩個管子導通,每60°電角度換向一次,若某一時刻AB相導通時,C相截至,無電流輸出。
單片機根據檢測到的電機轉子位置,利用MOSFET的開關特性,實現電機的通電控制,例如,當Q1、Q5打開時,AB相導通,此時電流流向為電源正極→Q1→繞組A→繞組B→Q5→電源負極。
類似的,當MOSFET打開順序分別為Q1Q5,Q1Q6,Q2Q6,Q2Q4,Q3Q4,Q3Q5時,只要在合適的時機進行準確換向,就可實現無刷直流電機的連續運轉。
〈烜芯微/XXW〉專業制造二極管,三極管,MOS管,橋堆等,20年,工廠直銷省20%,上萬家電路電器生產企業選用,專業的工程師幫您穩定好每一批產品,如果您有遇到什么需要幫助解決的,可以直接聯系下方的聯系號碼或加QQ/微信,由我們的銷售經理給您精準的報價以及產品介紹
聯系號碼:18923864027(同微信)
QQ:709211280

