5v手機充電器原理圖
5V-USB充電器電路:圖中用1歐的電阻F1起到保險絲的作用,用一個二極管D1完成整流作用。
接通電源后,C1會有300V左右的直流電壓,通過R2給Q1的基極提供電流,Q1的發射極有R1電流檢測電阻R1,Q1基極得電后,會經過T1的(3、4)產生集電極電流,并同時在T1的(5、6)(1、2)上產生感應電壓,這兩個次級絕緣的圈數相同的線圈,其中T1(1、2)輸出由D7整流、C5濾波后通過USB座給負載供電;
其中T1(5、6)經D6整流、C2濾波后通過IC1(實為4.3V穩壓管)、Q2組成取樣比較電路,檢測輸出電壓高低;其中T1(5、6)、C3、R4還組成Q1三極管的正反饋電路,讓Q1工作在高頻振蕩,不停的給T1(3、4)開關供電。
當負載變輕或者電源電壓變高等任何原因導致輸出電壓升高時,T1(5、6)、IC1取樣比較導致Q2導通,Q1基極電流減小,集電極電流減小,負載能力變小,從而導致輸出電壓降低;當輸出電壓降低后,Q2取樣后又會截止,Q1的負載能力變強,輸出電壓又會升高;這樣起到自動穩壓作用。


本電路雖然元件少,但是還設計有過流過載短路保護功能。當負載過載或者短路時,Q1的集電極電流大增,而Q1的發射極電阻R1會產生較高的壓降,這個過載或者短路產生的高電壓會經過R3讓Q2飽和導通,從而讓Q1截止停止輸出防止過載損壞。
因此,改變R1的大小,可以改變負載能力,如果要求輸出電流小,例如只需要輸出5V100MA,可以將R1阻值改大。當然,如果需要輸出5V500MA的話,就需要將R1適當改小。注意:R1改小會增加燒壞Q1的可能性,如果需要大電流輸出,建議更換13003、13007中大功率管。
手機充電器原理圖二


該電路屬于自勵、反激式、變壓器耦合型、PWM開關電源;電源變換過程:交流(AC,輸入市電)→直流(DC)→交流(AC,高頻)→直流(DC,輸出);電路由整流、振蕩、穩壓、保護四大系統組成。


這款電路作為小功率負載使用沒問題,且電路結構簡單,體積較小,但它的保護不夠完善,充電電流較小,功率較小,因此現在已經不多見了。
電動車充電器原理圖
主要由整流濾高壓開關、電壓變換、恒流、恒壓及充電控制等幾部分組成。
其基本原理是充電器將輸入的220V市電電壓經整流濾波后轉變為直流300V左右的電壓,通過開關管的接通和關斷,使300V直流電壓變成受控制的交流電壓,交流電壓通過開關變壓器耦合后在其二次側產生低壓交流電,低壓交流電再通過二極管整流后輸出直流充電電壓。
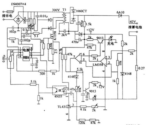
電動車充電器電路圖二


以3842驅動場效應管的單管開關電源,配合358雙運放來實現三階段充電方式。
〈烜芯微/XXW〉專業制造二極管,三極管,MOS管,橋堆等,20年,工廠直銷省20%,上萬家電路電器生產企業選用,專業的工程師幫您穩定好每一批產品,如果您有遇到什么需要幫助解決的,可以直接聯系下方的聯系號碼或加QQ/微信,由我們的銷售經理給您精準的報價以及產品介紹
聯系號碼:18923864027(同微信)
QQ:709211280

