
傳真:
18923864027
QQ:
709211280
地址:
深圳市福田區振中路84號愛華科研樓7層
TL431的線性精密穩壓電源的設計方案介紹TL431是一個有良好熱穩定性能的三端可調精密電壓基準集成芯片,具有體積小、價格低廉、性能優良等特
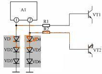
三極管逆變器電路設計介紹這是一種性能優良的家用逆變電源電路圖,材料易取,輸出功率150W 本電路設計頻率為300Hz左右,目的是縮小逆變變壓
三極管的基本放大電路設計的探析基本放大電路是放大電路中最基本的結構,是構成復雜放大電路的基本單元。它利用雙極型半導體三極管輸入電流
基于功率MOSFET的鋰電池保護電路設計介紹鉛酸電池具有安全、便宜、易維護的特點,因此目前仍然廣泛的應用于電動自行車。但是鉛酸電池污染大
二極管中限幅電路的分析與其故障檢測二極管是一種具有兩個電極的器件,它容許電流從一個方向流過,由于這個特點,在電路當中,二極管經常被
上電復位電路的使用策略介紹工程師們在調試各式各樣的板子時,常會出現開機出現錯誤,系統無法正常打開,接下來我們將列舉電路板上電時可能
DC12V直流電源防雷保護設計解析隨著安防行業的蓬勃發展,視頻監控越來越普及,從原來的特殊崗位、行業發展到至今的小區園區、走廊、甚至是
集成運算放大器的電路構成與特點了解集成運算放大器的一般概況;掌握集成運算放大器在線性和非線性應用方面的基本電路工作原理及分析方法;了
IGBT原理,使用方法與失效防護IGBT(InsulatedGateBipolarTransistor),絕緣柵雙極型晶體管,是由BJT(雙極型三極管)和MOS(絕緣柵型場效
光電傳感器的組成,原理與分類光電傳感器是一種小型電子設備,各種光電檢測系統中實現光電轉換的關鍵元件。它主要是利用光的各種性質,檢測
拉電流與灌電流是什么什么是拉電流由于數字電路的輸出只有高、低(0,1)兩種電平值,高電平輸出時,一般是輸出端對負載提供電流,其提供電
三端穩壓管工作原理與接線規則三端穩壓管工作原理三端穩壓管分固定穩壓和可變穩壓2種。一、三端固定穩壓管工作原理1、三端固定穩壓IC有正輸